
Miniature Bearings Australia
RPI-190-191-C - Datasheet
MBA
Category Information
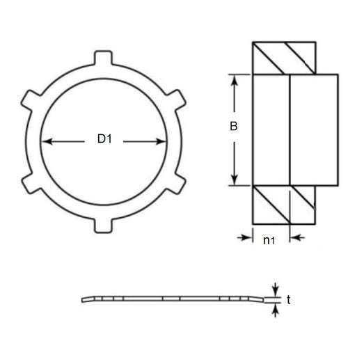
Retaining Rings - Push In Carbon SteelPush In Carbon Steel Retaining Rings. Thrust load shown is calculated for ideal conditions with mild steel bore.
Product Data
- Housing Bore (B) Min
:
19.00
mm
(Equiv. 0.748 in.) - Housing Bore (B) Max
19.10
mm
(Equiv. 0.752 in.) - Inside Clearance (D1)
12.70
mm
+ / - 0.26
(Equiv. 0.5 in.) - Thickness (t) 0.38 mm +/- 0.06
- Recommended Depth (n1) 1.02 mm
- Thrust Load 1037 kg.cm
- Material Carbon Spring Steel Self Finish
Product Compliance and Data
Additional Resources
Cross References
- 98435A152
- Small Parts RSI-12
- N1305-0075-APP
- N1305-0075APP
- N13050075APP
- RSI12


